- Home
- Ferramenta
- Tasselli e fissaggi
- Bussola acciaio zincato FISCHER FIS-E 15x85 M12
Notice (8): Trying to access array offset on value of type bool [CORE/Cake/View/Helper.php, line 359]
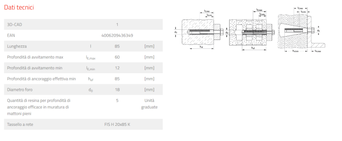
Dati tecnici
Cod. 00221092
Codice EAN: 4006209436349
Bussola in acciaio zincato con filettatura interna FISCHER FIS-E 15x85 M12
CONFEZIONE DA 10 PEZZI (acquistabili anche singolarmente)
- Possono essere utilizzate viti metriche convenzionali e barre filettate. Questo riduce i costi e la complessità.
- Installazione a filo parete. E' possibile riutilizzare il punto di fissaggio.
- Benestare tecnico europeo ETA per la massima sicurezza.
- Adatta per uso con resine ancoranti
La bussola internamente filettata fischer FIS E è in acciaio zincato ed è il componente del sistema utilizzato con il sistema chimico a iniezione in muratura. La bussola internamente filettata è impostata manualmente con una leggera rotazione. Il sistema chimico a iniezione lega l'intera superficie della bussola internamente filettata con la parete del foro in mattoni pieni. In materiali da costruzione semipieni l'ancorante chimico è spinto attraverso i fori del tassello a rete e aderisce al mattone semipieno creando il sottosquadro. In questo modo il carico viene trasferito all'interno del materiale da costruzione. L'utilizzo della bussola filettata internamente permette di rimuovere la piastra con l'installazione a filo parete.
Vantaggi
- La marcatura CE sussiste se e solo se abbinata con resine fischer FIS V, FIS C700 HP PRO1, T-BOND PRO.1, Green nei limiti descritti (tipologia barra, diametro e tipo di acciaio) nel corrispondente benestare tecnico europeo ETA.
Dimensioni:
- ø 15 x 85 L
- ø interno vite M12
- ø foro muratura M18
- codice prodotto 43634
Recensioni
Maurizio
Maurizio
Claudio

