Torna alla panoramica
- Home
- Ferramenta
- Serrature e accessori
- Serratura per cancelli estensibili cilindro fresato PREFER 6601.0010.0200
Serratura per cancelli estensibili cilindro fresato PREFER 6601.0010.0200
quantità limitata
-14%
Dati tecnici
Codice prodotto: 6601.0010.0200
Cod. 00380225
Codice EAN: 8032541212323
Cod. 00380225
Codice EAN: 8032541212323
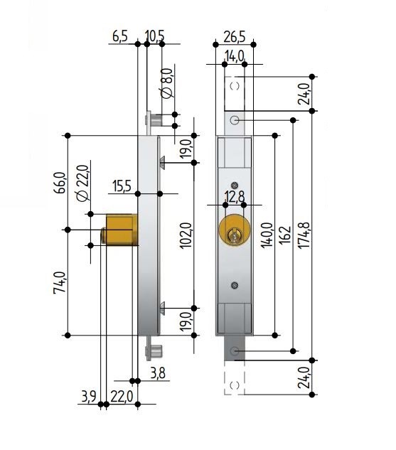
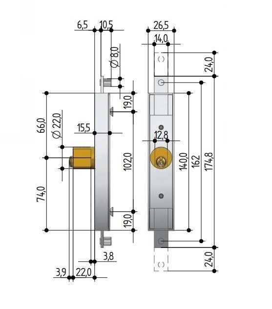
Serratura per cancelli estensibili a cilindro tondo PREFER 6601.0010.0200
- Applicazione: su cancelletti estensibili, sul montante verticale della griglia estensibile
- Movimenti: a cremagliera
- Funzionamento: con chiave solamente dall'esterno
- Dimensioni: scatola mm. 140 x 26,5 - larghezza catenaccio mm. 14
- Spessore: mm. 15,5
- Fissaggio: a vite
- Chiavi: 2 chiavi a spine profilo Prefer in dotazione
- Finitura: scatola serratura zincata
- Dimensioni e quote generali come da immagini e scheda tecnica
VARIANTI CILINDRO
- 6601.0010.0200 - Cilindro ottone fresato
- 6602.0010.0200 - Cilindro ottone tondo
Scheda tecnica
Recensioni
Nessuno ha ancora scritto una recensione su questo prodotto
Scrivi una recensione

