Torna alla panoramica
- Home
- Ferramenta
- Serrature e accessori
- AGB B00590.17.06 contropiastra serratura mm 25x194 nichelato BQ "L"
Dati tecnici
Codice prodotto: B005901706
Cod. 09376748
Cod. 09376748
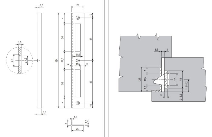
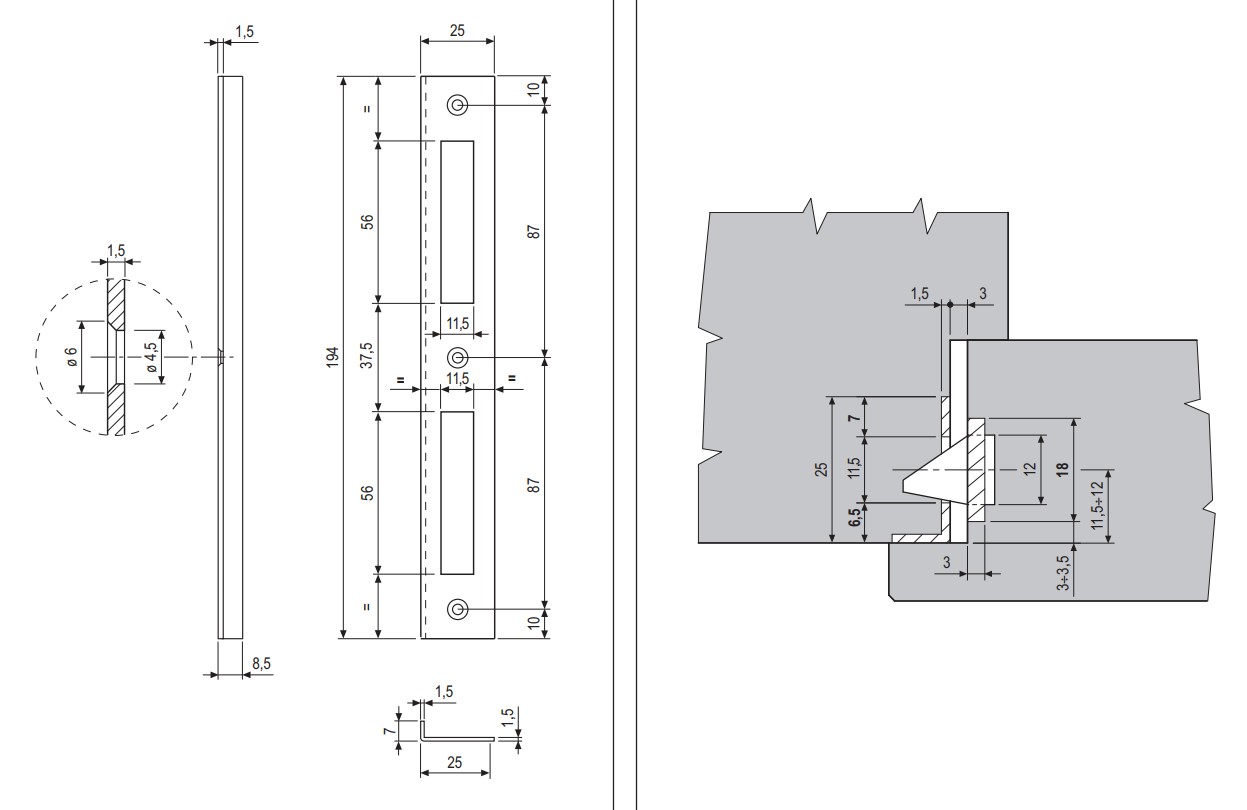
AGB B00590.17.06 contropiastra per serratura mm 25x194 nichelato bordo quadro "L"
- Incontro in acciaio con bordo quadro, larghezza 25 mm - lunghezza 194 mm
- Forma ad "L" per la protezione dello spigolo del telaio.
- Adatto per aperture sia destre che sinistre.
Utilizzo
- Da abbinare a una serratura Sicurezza con scrocco e catenaccio e frontale 22 mm, su porte o portoncini a battente con telaio in legno.
Fissaggio
- Predisporre sul telaio una fresata con le dimensioni riportate nel disegno e rifinire gli angoli con uno scalpello.
- Applicare l’incontro a filo dello spigolo del telaio.
- Per il fissaggio utilizzare tre viti da 4x25 mm.
Scheda tecnica
Recensioni
Nessuno ha ancora scritto una recensione su questo prodotto
Scrivi una recensione

