Torna alla panoramica
- Home
- Ferramenta
- Serrature e accessori
- AGB B00571.50.22 serratura porte legno E50 mm frontale bronzo verniciato
AGB B00571.50.22 serratura porte legno E50 mm frontale bronzo verniciato
disponibile
-22%
Dati tecnici
Codice prodotto: B005715022
Cod. 09747364
Cod. 09747364
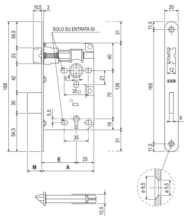
AGB B00571.50.22 E50 (mm) serratura per porte interne in legno, frontale bronzo verniciato
- Serratura da incasso con scrocco e catenaccio.
- Interasse 70 mm
- Frontale da 20 mm con bordo tondo o quadro.
- Realizzata interamente in acciaio o nella versione con frontale, scrocco e catenaccio in ottone.
- Scrocco reversibile.
- Cassa con fori per il fissaggio di maniglie con viti passanti (solo per entrata 50 mm).
- Per porte interne in legno.
Fissaggio
- Predisporre sul pannello una cava ed una fresata aventi le dimensioni riportate nel disegno.
- Fissare la serratura con due viti da 4x25 mm.
- Per girare lo scrocco farlo uscire dal frontale della serratura, spingendo sulla vite posteriore, e ruotare.
- Per l'entrata 25 svitare la vite, girare lo scrocco e riavvitare.
- NB. Ogni serratura è fornita con una chiave.
- L'incontro deve essere ordinato a parte, da scegliere in base alla tipologia costruttiva.
Scheda tecnica
Recensioni
Nessuno ha ancora scritto una recensione su questo prodotto
Scrivi una recensione

